Eladó Üdülő, hétvégi ház
Hirdetéskód: 9310261
OTP Ingatlanpont Csongrád
Felújításhoz személyi kölcsönt keres? Kalkuláljon itt! →49.00 m2
ALAPTERÜLET2
SZOBASZÁMnincs megadva
ÉPÍTÉSEgyéb fűtés
FŰTÉS- CSOK igénybe vehető nem
- Tetőtér beépíthető nem
- Építés éve 1950
- Fűtés Egyéb fűtés
- Klíma nem
- Szigetelt nem
A+++
A++
A+
A
B
C
D
E
F
G
H
I
Az ingatlan leírása
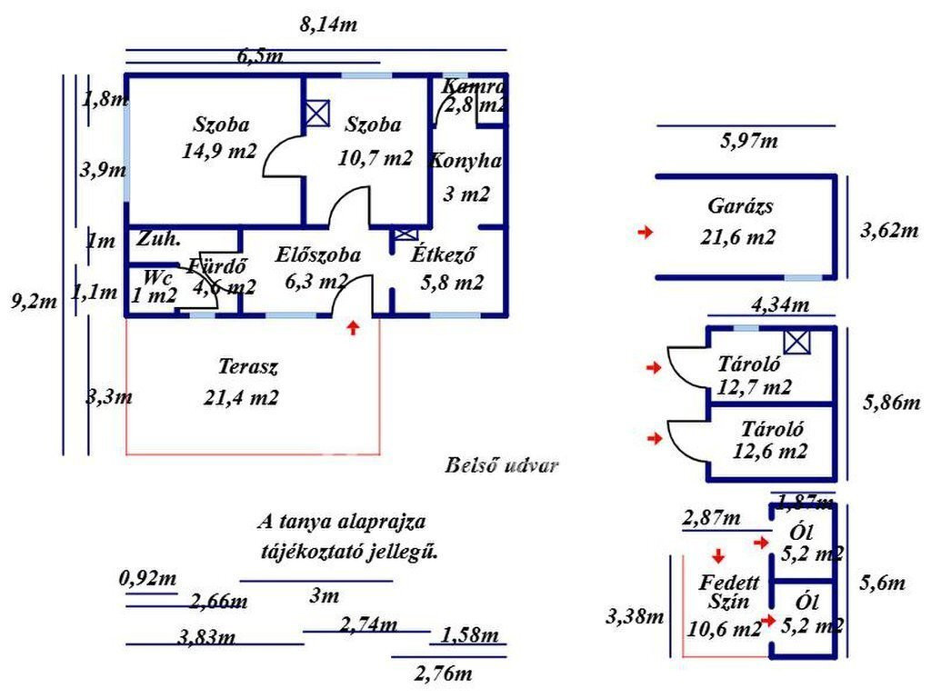
Bács-Kiskun vármegye, Tiszakécske külterületén kivett tanya megnevezésű ingatlan 49 m2 hasznos nettó alapterületű lakó- és gazdasági épületeivel, 3309 m2-es telken eladó! Az 1960-ban épült száraz, vegyes falazatú épület stukatoros fa födémmel, fa tetőszerkezettel és cserepeslemez héjazattal készült, körben csatornával ellátott. A homlokzat jó állapotú, festett. A lakóépület két szobából, egy konyhából, egy étkezőből, egy kamrából, egy fürdőszoba-WC helyiségből, egy előszobából és egy 21 m2-es nyitott teraszból áll. A helyiségek járólap- és laminált padló borításúak. A külső- és belső nyílászárók jó állapotú fa szerkezetűek, a bejárati ajtó jó minőségű, dupla fa szerkezetű. A közművek közül az ingatlanban az egyfázisú villany (32 Amper) cserélt vezetékeléssel, körönként kismegszakítókkal és Fi relével rendelkezésre áll. Az ingatlan víz-ellátására házi vízművel ellátott fúrt kút kiépített, a szennyvíz elvezetésére emésztő az udvaron biztosított. Az otthon melegéről cserépkályha és sparhelt gondoskodik, melyhez két falazott vegyestüzelésű kémény kiépített. A melegvíz ellátását Ariston okosbojler biztosítja. A tanya területén több gazdasági épület található: egy 21 m2-es garázs, két tároló, két gazdasági helyiség és egy fedett szín. A felújított ingatlan jelen állapotában azonnal költözhető, a benne lévő bútorzat, konyhabútor, hűtő és a gáztűzhely a vételár részét képezheti.
A lakóépület udvara részben kerített, de beton oszlopokkal körben behatárolt. Gépjárművek számára a földesútról a behajtás biztosított, aszfaltozott út pár száz méteren belül megtalálható. A telek területe rendezett, részben füves, részben fákkal tarkított. Az ingatlan elhelyezkedése kiváló: Tiszakécske és a Barack Thermálfürdő pár km-en belül elérhető. A hirdetés tájékoztató jellegű, az ingatlanról pontos adatokat a megtekintést követően a tulajdonos által elmondottak alapján tudunk garantálni! Birtokba adás megegyezés szerint lehetséges. A vásárlás finanszírozásában az OTP kedvezőbb kamatozású hitelkonstrukcióival tudunk segíteni, díjmentesen, sorban állás nélkül! Az adásvételi szerződés lebonyolításához korrekt ügyvédi közreműködést tudunk ajánlani. Amennyiben felkeltettem érdeklődését, hívjon bizalommal!
Az energetikai tanúsítvány készítése folyamatban van, amint rendelkezésre áll, úgy azzal a hirdetés frissítésre kerül.
A lakóépület udvara részben kerített, de beton oszlopokkal körben behatárolt. Gépjárművek számára a földesútról a behajtás biztosított, aszfaltozott út pár száz méteren belül megtalálható. A telek területe rendezett, részben füves, részben fákkal tarkított. Az ingatlan elhelyezkedése kiváló: Tiszakécske és a Barack Thermálfürdő pár km-en belül elérhető. A hirdetés tájékoztató jellegű, az ingatlanról pontos adatokat a megtekintést követően a tulajdonos által elmondottak alapján tudunk garantálni! Birtokba adás megegyezés szerint lehetséges. A vásárlás finanszírozásában az OTP kedvezőbb kamatozású hitelkonstrukcióival tudunk segíteni, díjmentesen, sorban állás nélkül! Az adásvételi szerződés lebonyolításához korrekt ügyvédi közreműködést tudunk ajánlani. Amennyiben felkeltettem érdeklődését, hívjon bizalommal!
Az energetikai tanúsítvány készítése folyamatban van, amint rendelkezésre áll, úgy azzal a hirdetés frissítésre kerül.