Eladó Üdülő, hétvégi ház
Hirdetéskód: 9306303
OTP Ingatlanpont Csongrád
Felújításhoz személyi kölcsönt keres? Kalkuláljon itt! →49.00 m2
ALAPTERÜLET2
SZOBASZÁMnincs megadva
ÉPÍTÉSnincs megadva
FŰTÉS- CSOK igénybe vehető nem
- Tetőtér beépíthető nem
- Építés éve 1950
- Klíma nem
- Szigetelt nem
A+++
A++
A+
A
B
C
D
E
F
G
H
I
Az ingatlan leírása
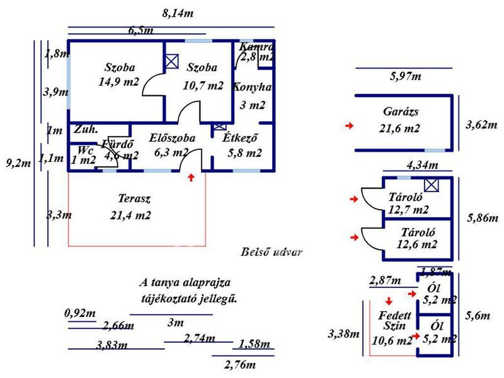
Bács-Kiskun vármegye, Tiszakécske külterületén kivett tanya megnevezésű ingatlan 49 m2 hasznos nettó alapterületű lakó- és gazdasági épületeivel, 3309 m2-es telken eladó! Az 1960-ban épült száraz, vegyes falazatú épület stukatoros fa födémmel, fa tetőszerkezettel és cserepeslemez héjazattal készült, körben csatornával ellátott. A homlokzat jó állapotú, festett. A lakóépület két szobából, egy konyhából, egy étkezőből, egy kamrából, egy fürdőszoba-WC helyiségből, egy előszobából és egy 21 m2-es nyitott teraszból áll. A helyiségek járólap- és laminált padló borításúak. A külső- és belső nyílászárók jó állapotú fa szerkezetűek, a bejárati ajtó jó minőségű, dupla fa szerkezetű. A közművek közül az ingatlanban az egyfázisú villany (32 Amper) cserélt vezetékeléssel, körönként kismegszakítókkal és Fi relével rendelkezésre áll. Az ingatlan víz-ellátására házi vízművel ellátott fúrt kút kiépített, a szennyvíz elvezetésére emésztő az udvaron biztosított. Az otthon melegéről cserépkályha és sparhelt gondoskodik, melyhez két falazott vegyestüzelésű kémény kiépített. A melegvíz ellátását Ariston okosbojler biztosítja. A tanya területén több gazdasági épület található: egy 21 m2-es garázs, két tároló, két gazdasági helyiség és egy fedett szín. A felújított ingatlan jelen állapotában azonnal költözhető, a benne lévő bútorzat, konyhabútor, hűtő és a gáztűzhely a vételár részét képezheti.
A lakóépület udvara részben kerített, de beton oszlopokkal körben behatárolt. Gépjárművek számára a földesútról a behajtás biztosított, aszfaltozott út pár száz méteren belül megtalálható. A telek területe rendezett, részben füves, részben fákkal tarkított. Az ingatlan elhelyezkedése kiváló: Tiszakécske és a Barack Thermálfürdő pár km-en belül elérhető. A hirdetés tájékoztató jellegű, az ingatlanról pontos adatokat a megtekintést követően a tulajdonos által elmondottak alapján tudunk garantálni! Birtokba adás megegyezés szerint lehetséges. A vásárlás finanszírozásában az OTP kedvezőbb kamatozású hitelkonstrukcióival tudunk segíteni, díjmentesen, sorban állás nélkül! Az adásvételi szerződés lebonyolításához korrekt ügyvédi közreműködést tudunk ajánlani. Amennyiben felkeltettem érdeklődését, hívjon bizalommal!
A lakóépület udvara részben kerített, de beton oszlopokkal körben behatárolt. Gépjárművek számára a földesútról a behajtás biztosított, aszfaltozott út pár száz méteren belül megtalálható. A telek területe rendezett, részben füves, részben fákkal tarkított. Az ingatlan elhelyezkedése kiváló: Tiszakécske és a Barack Thermálfürdő pár km-en belül elérhető. A hirdetés tájékoztató jellegű, az ingatlanról pontos adatokat a megtekintést követően a tulajdonos által elmondottak alapján tudunk garantálni! Birtokba adás megegyezés szerint lehetséges. A vásárlás finanszírozásában az OTP kedvezőbb kamatozású hitelkonstrukcióival tudunk segíteni, díjmentesen, sorban állás nélkül! Az adásvételi szerződés lebonyolításához korrekt ügyvédi közreműködést tudunk ajánlani. Amennyiben felkeltettem érdeklődését, hívjon bizalommal!