Eladó Ház- házrész
Hirdetéskód: 9308659

OTP Ingatlanpont Csongrád

Felújításhoz személyi kölcsönt keres? Kalkuláljon itt! →
FIX 3% Program

Ez a hirdetés megfelelhet a FIX 3%-os programnak.
Tudj meg többet a részletekről itt.

127.00 m2
ALAPTERÜLET
4
SZOBASZÁM
nincs megadva
ÉPÍTÉS
Gáz (cirkó)
FŰTÉS
  • CSOK igénybe vehető nem
  • Tetőtér beépíthető nem
  • Építés éve 1940
  • Fűtés Gáz (cirkó)
  • Klíma nem
  • Szigetelt nem
Energetikai besorolás: Nincs meghatározva
A+++
A++
A+
A
B
C
D
E
F
G
H
I

Az MBH Bank személyi kölcsön ajánlata

Fizetett hirdetés
1 millió Ft
6 évre
20 585 Ft/hó
THM: 14.5%
Részletek →
2 millió Ft
6 évre
41 169 Ft/hó
THM: 14.5%
Részletek →
3 millió Ft
6 évre
61 754 Ft/hó
THM: 14.5%
Részletek →

A tájékoztatás nem teljes körű és nem minősül ajánlattételnek.

Az ingatlan leírása

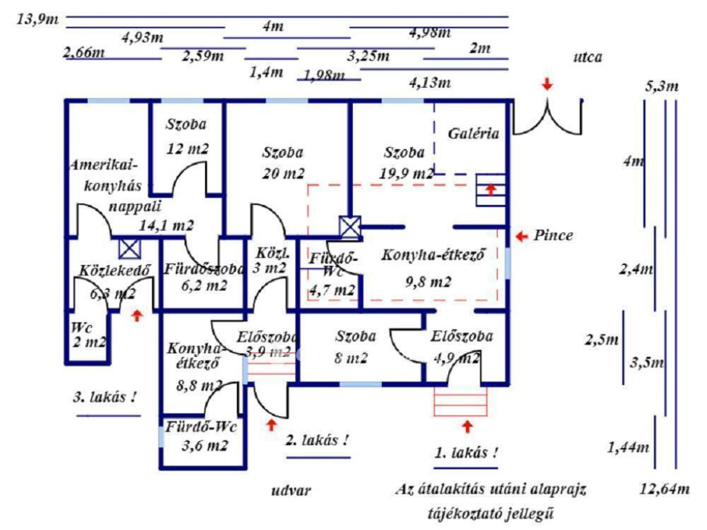
Bács-Kiskun vármegye, Kecskemét, Belvárosban 127 m2 hasznos alapterületű családi ház 342 m2 telken eladó. Az ingatlan a város központjában, csendes aszfaltozott utcában található. A családi ház jelenleg három külön bejáratú, két önálló lakórészből áll. Az első 47,3 m2-es lakrészben két szoba, egy galéria, egy konyha-étkező, egy fürdőszoba-WC-helyiség és egy előszoba található. A második 80 m2-es lakrész két szobából, egy konyhából, egy fürdőszoba-WC-ből, három közlekedőből, egy előszobából és egy különálló WC-helyiségből áll. Az ingatlanhoz tartozik még egy több egységből álló, tárolásra alkalmas melléképület. A tégla falazatú összkomfortos nagypolgári ház az 1900-as évek közepén épült, stukatoros fa födémmel, fa tetőszerkezettel, valamint égetett cserép héjazattal készült. Nyílászárói részben normál állapotú fa, illetve újracserélt műanyagból készültek, a belső nyílászárók egy része felújításra szorul. Az épület homlokzata kiváló állapotú, felújított. A háznak két falazott és három szerelt kéménye van, melyből több kémény is gáz-béléscsővel rendelkezik. A helyiségek járólappal, laminált padlóval, parkettával, hajópadlóval, PVC-vel, valamint padlószőnyeggel burkoltak. A konyhák és a fürdő-WC helyiségek felújításon estek át. Az otthon melegét és melegvíz ellátását lakrészenként víz-átfolyós gázbojler, a fűtést gázkonvektor és gázkazán biztosítja radiátoros hőleadással, emellett vegyestüzelésű bekötési lehetőség is rendelkezésre áll. Az ingatlan összközműves: lakrészenként a vezetékes víz, szennyvíz csatorna, egyfázisú villany és gáz az épületen belül rendelkezésre áll. Mérőórák szerint a villany és a gáz lakásonként külön mérhető. Az udvar részben parkosított, körben bekerített, gépjárművek beállására kapubejáró biztosított. A családi ház kialakítása miatt ideális lehet többgenerációs lakhatásra, három külön bejáratú lakás bérbe adására, 7 egységből álló rendelővé, irodává, egyéb szolgáltatóházzá való átalakításra egyaránt. Az udvari mellékhelyiségek lebontásával 5 gépjármű parkolása is megoldhatóvá válik. A vásárlás finanszírozásában az OTP kedvezőbb kamatozású hitelkonstrukcióival, CSOK Plusz lehetőségével tudunk segíteni. Az adásvételi szerződés lebonyolításához korrekt ügyvédi közreműködést tudunk ajánlani. Amennyiben felkeltettem érdeklődését, hívjon bizalommal! Eladó ingatlanokat keresünk hazai, illetve külföldi partnereink számára.

Térkép

Ingatlan adásvétel ügyvédi díja
351 000 Ft
a hirdetésben szereplő ár alapján
  • A vételár 0,45%-a
  • Szerződéscsomag teljeskörű képviselettel
  • Ingyenes tulajdoni lap ellenőrzés
  • Az ÁFA-t már tartalmazza
Érdekel az ajánlat →
A tájékoztatás nem teljes körű és nem minősül ajánlattételnek. Minimum díj: 150 000 Ft, maximum díj: 600 000 Ft. A díj kizárólag lakóingatlan adásvételére vonatkozik.

A hirdető elérhetősége

OTP Ingatlanpont Csongrád

Gyenes Martin
+36 30 375